Voltage:AC220V AC380V DC12V DC24V
Working pressure: 0-4.0Mpa(40bar)
Output torque:50NM-4000NM
Adapting caliber:DN50-DN600
Switching time:30s-100s
Medium temperature:-25°-60°C
Valve metarial:UPVC/CPVC Stainless Steel Cast Iron Cast Steel

Product Features
1. High-Torque Motorized Valve Actuator: Features automatic open/close mode, supports multiple output types, and can be configured as either normally open or normally closed motorized ball valves.
2. Exceptional Durability: Actuator and valve stem utilize a keyless integrated design for high transmission precision and responsive operation. Special copper alloy forging process ensures extended service life and superior quality.
3. Safety Assurance: Passes AC 1500V withstand voltage testing and incorporates an F-class insulation motor for operational safety.
4. Easy Installation: Operates on single-phase power supply, compatible with 12V/24V/220V/380V voltage inputs.
5. Protective Devices: Equipped with dual-position limit switches, overheat protection, and overload protection (optional).
6. Multi-Speed Options: Offers three factory-preset switch-on durations: 25 seconds, 30 seconds, and 100 seconds.
7. Rust and Corrosion Resistance: Entire frame, couplings, and bolts constructed from stainless steel.
8. Optional Smart Adjustable Control Valve (supports 4-20mA or 0-10V signals).

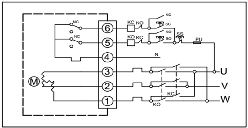
380V Wiring Diagram for Motorized Ball Valve
AC380v (standard wiring diagram )

1. When KO closes, followed by valve opening, position feedback signal is acquired while internal power automatically shuts off.
2. When KC closes, followed by valve closing, position feedback signal is acquired while internal power automatically shuts off.
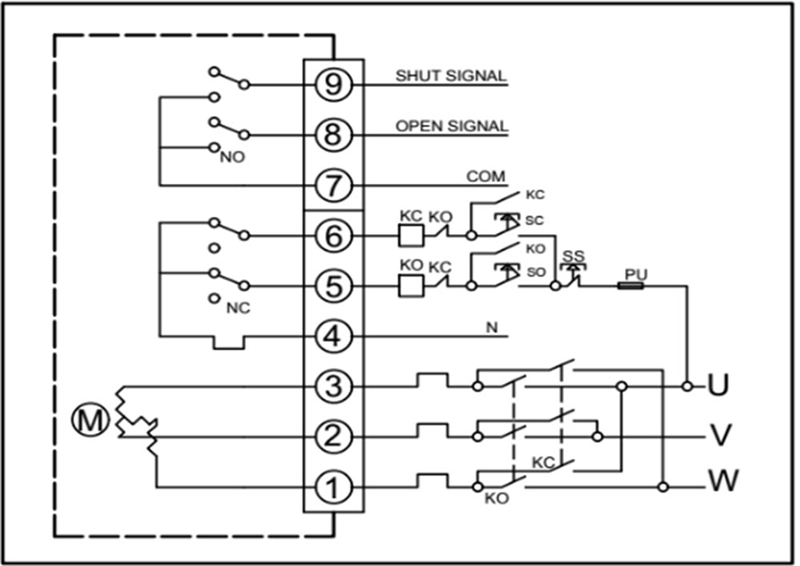
AC380v (passive contact type wiring diagram)

1. When KO closes, the valve opens. After receiving position feedback, the internal circuit automatically de-energizes, and terminal 8 outputs an open position signal.
2. When KC closes, the valve closes. After receiving position feedback, the internal circuit automatically de-energizes, and terminal 9 outputs a closed position signal.
Application Scenarios
Our motorized valves are applied in:
1. Water treatment, agricultural irrigation, piping systems, HVAC systems, etc.
2. High-efficiency water-saving equipment, automated control equipment, industrial automation equipment
3. Water-saving sanitary ware, drinking water equipment, etc.
4. Replacement of faulty solenoid valves

About us-TIANJIN JINFENG VALVE CO.,LTD.
Tianjin Jinfeng Valve Co., Ltd. is a specialized manufacturer of motorized valves. As a leading enterprise in Tianjin's valve industry, the company occupies a 50,000-square-meter site with ten independent production workshops, supporting efficient and scalable manufacturing processes.
The company has received multiple commendations from Tianjin municipal government departments at various levels. It holds international certifications including ISO9001, CE, RoHS, and NSF61, with products exported to numerous countries and regions worldwide.

Frequently Asked Questions
1. Are you a manufacturer or a trading company?
We are a manufacturer with over 10 years of experience producing and exporting motorized valves, giving us a competitive edge in pricing. We also offer OEM and ODM services.
2. What payment methods do you accept?
30% T/T deposit, with the remaining 70% balance paid before shipment.
3. What is your minimum order quantity (MOQ)?
Our minimum order quantity is 1 piece.
4. What is your delivery lead time?
Samples take approximately 3 working days. Delivery times for bulk orders depend on your order quantity.
5. Do bulk orders qualify for discounts?
Yes, discounts are available for larger order quantities.
6. Where is your factory located?
Our factory is located in Tianjin, China. We welcome visits to our facility at any time.
