Voltage:AC220V AC380V DC12V DC24V
Working pressure: 0-4.0Mpa(40bar)
Output torque:50NM-4000NM
Adapting caliber:DN50-DN600
Switching time:30s-100s
Medium temperature:-25°-60°C
Valve metarial:UPVC/CPVC Stainless Steel Cast Iron Cast Steel

Product Features
1. Motorized valve actuators have powerful functions: they use intelligent switch designs and support multiple signal output types, and can be designed as normally open motorized ball valvesor normally closed motorized ball valves.
2. Durability: The worm gear output shaft is integrated into a single unit, eliminating the need for key connections and ensuring high transmission accuracy. It is forged from a special copper alloy, offering high strength and excellent wear resistance.
3. Safety assurance: Passed AC 1500V withstand voltage testing and features an F-class insulated motor, ensuring safe operation.
4. Easy to assemble: Uses single-phase power supply, simplifying external wiring, and can also use 380VAC power supply.
5. Protective devices: Dual-position limit switches, overheat protection, and overload protection (optional).
6. Multiple Speeds: The entire cycle time is available in 25s, 30s, and 100s (pre-set at the factory).
7. Rust and Corrosion Resistance: The entire machine frame, coupling, and screws are made of stainless steel.
8. Intelligent Adjustable Control Valve Available (4-20mA or 0-10V).

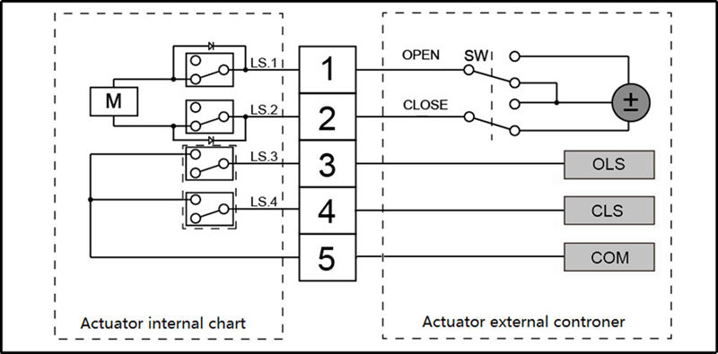
12V Wiring Diagram for Motorized Butterfly Valve
CR13 (DC passtive contact type )Voltage:DC12/24V

1.Connecting SW and OPEN, then the valve opens, getting the position,power off automatically, terminal 3 output the open signal, moreover the valve remains fully open position.
2.Connecting SW and CLOSE, then the valve closes, getting the position, power off automatically,terminal 4 output the close signal, moreover the valve remains fully close position.
Application Scenarios
Our motorized valves are used in:
1.Water treatment, irrigation, drainage, wastewater treatment systems, etc.
2.HVAC and fire protection engineering
3.Campus water conservation, automatic control equipment, industrial automotive equipment
4.Water-saving instruments, drinking water equipment, etc.
5.Replacement of malfunctioning solenoid valves

About us-TIANJIN JINFENG VALVE CO.,LTD.
Tianjin JINFENG Valve Co., Ltd. is a leading manufacturer specializing in motorized and actuated valves, and stands as one of the pioneering companies in Tianjin's valve industry. With a facility spanning 50,000 square meters, JINFENG operates ten independent production workshops, supporting highly efficient and scalable manufacturing processes.
The company has been recognized with numerous letters of commendation from municipal government departments in Tianjin. Our certifications include ISO9001, CE, RoHS, NSF61, among others, and our products have been exported to various countries and regions across the globe.

FAQ
1. Are you manufacturer or trading company?
We are manufacturer, we had been produced electric valve for more than 10 years. So we have advantage in price. We also could do OEM.
2. What's the payment method?
T/T,Paypal,Western Union, Moneygram, L/C ect.
3.What's your Minimum Order Quantity (MOQ)?
Our MOQ is 1piece.
4. What about the delivery time?
Sample need about 3 working days, large order delivery time will according to your quantity.
5.Would you have a discount if l have a large order?
A; Yes we could offer different discount according to your order quantity.
6.Where is the factory located?
Tianjin city and welcome to visit our factory.
